Rohman, Irsyad Zaki (2025) Pra Rancangan Pabrik Margarin dari Minyak Jagung dengan Proses Hidrogenasi. Undergraduate thesis, UPN Veteran Jawa Timur.
|
Text (Cover)
21031010065-Cover.pdf Download (1MB) | Preview |
|
|
Text (Bab I)
21031010065-BAB I.pdf Download (337kB) | Preview |
|
|
Text (Bab II)
21031010065-BAB II.pdf Download (299kB) | Preview |
|
|
Text (Bab III)
21031010065-BAB III.pdf Restricted to Repository staff only until 4 November 2028. Download (140kB) |
||
|
Text (Bab IV)
21031010065-BAB IV.pdf Restricted to Repository staff only until 4 November 2028. Download (214kB) |
||
|
Text (Bab V)
21031010065-BAB V.pdf Restricted to Repository staff only until 4 November 2028. Download (262kB) |
||
|
Text (Bab VI)
21031010065-BAB VI.pdf Restricted to Repository staff only until 4 November 2028. Download (269kB) |
||
|
Text (Bab VII)
21031010065-BAB VII.pdf Restricted to Repository staff only until 4 November 2028. Download (3MB) |
||
|
Text (Bab VIII)
21031010065-BAB VIII.pdf Restricted to Repository staff only until 4 November 2028. Download (395kB) |
||
|
Text (Bab IX)
21031010065-BAB IX.pdf Restricted to Repository staff only until 4 November 2028. Download (315kB) |
||
|
Text (Bab X)
21031010065-BAB X.pdf Restricted to Repository staff only until 4 November 2028. Download (617kB) |
||
|
Text (Bab XI)
21031010065-BAB XI.pdf Restricted to Repository staff only until 4 November 2028. Download (237kB) |
||
|
Text (Daftar Pustaka)
21031010065-Daftar Pustaka.pdf Download (196kB) | Preview |
|
|
Text (Appendix)
21031010065-Appendix.pdf Restricted to Repository staff only until 4 November 2028. Download (3MB) |
||
|
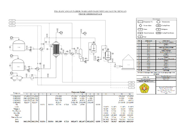
Text (Flowsheet)
21031010065-Flowsheet.pdf Download (275kB) | Preview |
Abstract
A margarine plant that uses Corn Oil (RBDCO), Hydrogen (H2), and Emulsifier as raw materials with a hydrogenation process capacity of 35,000 tons/year is planned to be built in the Marunda Industrial Area, Marunda Center Industrial Estate Road, Tarumajaya, Bekasi Regency, West Java. This margarine plant operates continuously for 24 hours a day with 330 working days and 175 employees. The plant uses corn oil (RBDCO) supplied by PT Resto Pangan Utama located in Bekasi Regency, West Java, 100% hydrogen (H2) supplied by PT Air Liquide Indonesia, which is also located in Bekasi Regency, emulsifier supplied by PT Musim Mas Fuji located in the Bekasi industrial area, and nickel catalyst supplied by PT Smelter Nikel Indonesia in Gresik City. The main product produced is margarine. Margarine has many uses in the industrial sector, including as a medium for frying food ingredients and also in the production of cakes and bread. Margarine is also often used in the production of ice cream, candy, and other processed products, because margarine improves the softness and texture of the product. The production process used in this margarine plant is the hydrogenation process. The margarine production process is carried out by reacting corn oil (RBDCO) and Hydrogen (H2) with the aid of a nickel catalyst in a fixed bed multitube reactor at a pressure of 10 atm and a temperature of 205℃ to produce margarine. After the reaction process, an emulsifier is added at a temperature of 50℃ and a pressure of 1 atm. After that, the margarine product is ready for packaging and distribution.
| Item Type: | Thesis (Undergraduate) | ||||||||
|---|---|---|---|---|---|---|---|---|---|
| Contributors: |
|
||||||||
| Subjects: | L Education > L Education (General) Q Science > Q Science (General) Q Science > QD Chemistry T Technology > T Technology (General) T Technology > T Technology (General) > T55.4-60.8 Industrial engineering. Management engineering T Technology > TP Chemical technology T Technology > TP Chemical technology > TP155 Chemical engineering T Technology > TP Chemical technology > TP368 Food processing and manufacture |
||||||||
| Divisions: | Faculty of Engineering > Departement of Chemical Engineering | ||||||||
| Depositing User: | Irsyad Zaki Rohman | ||||||||
| Date Deposited: | 04 Nov 2025 06:35 | ||||||||
| Last Modified: | 04 Nov 2025 06:35 | ||||||||
| URI: | https://repository.upnjatim.ac.id/id/eprint/45880 |
Actions (login required)
![]() |
View Item |
