PRA RANCANGAN PABRIK CARBOXYMETHYL CELLULOSE (CMC) DENGAN METODE RUSSEL NELSON

Haque, Annisa Mutiara Salma (2025) PRA RANCANGAN PABRIK CARBOXYMETHYL CELLULOSE (CMC) DENGAN METODE RUSSEL NELSON. Undergraduate thesis, UPN Veteran Jawa Timur.

[img]
Preview
Text (Cover)
21031010092.-cover.pdf.pdf

Download (3MB) | Preview
[img]
Preview
Text (Bab 1)
21031010092.-bab1.pdf.pdf

Download (304kB) | Preview
[img]
Preview
Text (Bab 2)
21031010092.-bab2.pdf.pdf

Download (433kB) | Preview
[img] Text (Bab 3)
21031010092.-bab3.pdf.pdf
Restricted to Repository staff only until 14 September 2028.

Download (310kB)
[img] Text (Bab 4)
21031010092.-bab4.pdf.pdf
Restricted to Repository staff only until 14 September 2028.

Download (336kB)
[img] Text (Bab 5)
21031010092.-bab5.pdf.pdf
Restricted to Repository staff only until 14 September 2028.

Download (382kB)
[img] Text (Bab 6)
21031010092.-bab6.pdf.pdf
Restricted to Repository staff only until 14 September 2028.

Download (652kB)
[img] Text (Bab 7)
21031010092.-bab7.pdf.pdf
Restricted to Repository staff only until 14 September 2028.

Download (1MB)
[img] Text (Bab 8)
21031010092.-bab8.pdf.pdf
Restricted to Repository staff only until 14 September 2028.

Download (366kB)
[img] Text (Bab 9)
21031010092.-bab9.pdf.pdf
Restricted to Repository staff only until 14 September 2028.

Download (281kB)
[img] Text (Bab 10)
21031010092.-bab10.pdf.pdf
Restricted to Repository staff only until 14 September 2028.

Download (617kB)
[img] Text (Bab 11)
21031010092.-bab11.pdf.pdf
Restricted to Repository staff only until 14 September 2028.

Download (182kB)
[img]
Preview
Text (Daftar Pustaka)
21031010092.-daftarpustaka.pdf.pdf

Download (141kB) | Preview
[img] Text (Appendix (Lampiran))
21031010092.-lampiran.pdf.pdf
Restricted to Repository staff only until 14 September 2028.

Download (4MB)
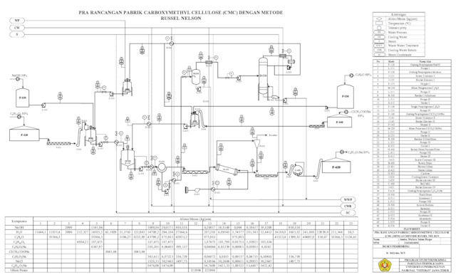
[img]
Preview
Text (Flowsheet)
Flowsheet.pdf

Download (419kB) | Preview

Abstract

A Carboxymethyl Cellulose (CMC) plant with a capacity of 45,000 tons/year will be established at Modern Cikande Industrial Estate, Serang, Banten using the Russel Nelson method. The main raw materials are Cellulose (C₆H₁₀O₅), Sodium Hydroxide (NaOH), and Sodium Monochloroacetate (ClCH₂COONa), with Acetone (C₃H₆O) as a supporting solvent. The production process consists of raw material preparation, alkali treatment, etherification, and side reactions in two reactors, followed by solvent recovery, separation, drying, and packaging. Acetone recovery is applied to reduce production costs. Utilities include electricity from PLN and a generator set, and water supplied by PDAM Serang for process, cooling, boiler feed, and sanitation purposes. The plant will operate continuously for 330 days/year, 24 hours/day, on an area of 20,000 m², under a Limited Liability Company (PT) with a line and staff organization. Material Consumption (kg/hour): Cellulose (95%): 4,246.54 NaOH (50%): 4,180.00 Sodium Monochloroacetate (98%): 3,105.14 Acetone (99%): 5,157.08 Utilities: Boiler feed water: 17.40 m³/h Process water: 11.64 m³/h Cooling water: 198.98 m³/h Sanitation water: 0.24 m³/h Electricity: 1,307.55 kWh/h Fuel: 748.64 L/h Economic Evaluation: Construction period: 2 years Plant life: 10 years Fixed Capital Investment (FCI): Rp196.56 billion Working Capital Investment (WCI): Rp499.74 billion Total Capital Investment (TCI): Rp696.31 billion Raw material cost/year: Rp1.83 trillion Utility cost/year: Rp55.95 billion Total Production Cost (TPC): Rp2.22 trillion Annual sales: Rp2.50 trillion Bank loan interest: 8% ROI (before tax): 28.31% ROI (after tax): 22.08% Payback period: 4 years 9 months IRR: 17.24% BEP: 27.58%

Item Type: Thesis (Undergraduate)
Contributors:
ContributionContributorsNIDN/NIDKEmail
Thesis advisorSutiyono, SutiyonoNIDN0731076503UNSPECIFIED
Subjects: T Technology > TP Chemical technology > TP155 Chemical engineering
Divisions: Faculty of Engineering > Departement of Chemical Engineering
Depositing User: ANNISA MUTIARA SALMA HAQUE
Date Deposited: 16 Sep 2025 01:30
Last Modified: 16 Sep 2025 01:30
URI: https://repository.upnjatim.ac.id/id/eprint/43383

Actions (login required)

View Item View Item