PUTRI, FIONI ASHARI (2024) PRA RANCANGAN PABRIK DIFENILAMIN DARI ANILIN DAN KATALIS ASAM KLORIDA DENGAN PROSES KONDENSASI KATALITIK KAPASITAS 60.000 TON/TAHUN. Undergraduate thesis, UPN "VETERAN" JAWA TIMUR.
|
Text (BAB 1)
20031010008-BAB 1.pdf Download (786kB) | Preview |
|
|
Text (BAB 2)
20031010008-BAB 2.pdf Restricted to Repository staff only until 12 November 2026. Download (454kB) |
||
|
Text (BAB 3)
20031010008-BAB 3.pdf Restricted to Repository staff only until 12 November 2026. Download (85kB) |
||
|
Text (BAB 4)
20031010008-BAB 4.pdf Restricted to Repository staff only until 13 November 2026. Download (194kB) |
||
|
Text (BAB 5)
20031010008-BAB 5.pdf Restricted to Repository staff only until 13 November 2026. Download (316kB) |
||
|
Text (BAB 6)
20031010008-BAB 6.pdf Restricted to Repository staff only until 13 November 2026. Download (455kB) |
||
|
Text (BAB 7)
20031010008-BAB 7.pdf Restricted to Repository staff only until 13 November 2026. Download (1MB) |
||
|
Text (BAB 7)
20031010008-BAB 7.pdf Restricted to Repository staff only until 13 November 2026. Download (1MB) |
||
|
Text (BAB 8)
20031010008-BAB 8.pdf Restricted to Repository staff only until 13 November 2026. Download (719kB) |
||
|
Text (COVER)
20031010008-COVER.pdf Download (1MB) | Preview |
|
|
Text (BAB 9)
20031010008-BAB 9.pdf Restricted to Repository staff only until 13 November 2026. Download (831kB) |
||
|
Text (BAB 10)
20031010008-BAB 10.pdf Restricted to Repository staff only until 13 November 2026. Download (607kB) |
||
|
Text (BAB 11)
20031010008-BAB 11.pdf Restricted to Repository staff only until 13 November 2026. Download (401kB) |
||
|
Text
20031010008-DAFTAR PUSTAKA.pdf Download (424kB) | Preview |
|
|
Text (LAMPIRAN)
20031010008-LAMPIRAN.pdf Restricted to Repository staff only until 13 November 2026. Download (4MB) |
||
|
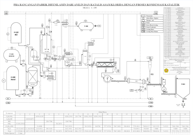
Text
20031010008-FLOWSHEET.pdf Download (235kB) | Preview |
| Item Type: | Thesis (Undergraduate) |
|---|---|
| Subjects: | T Technology > TP Chemical technology T Technology > TP Chemical technology > TP155 Chemical engineering |
| Divisions: | Faculty of Engineering > Departement of Chemical Engineering |
| Depositing User: | FIONI ASHARI PUTRI |
| Date Deposited: | 13 Nov 2024 03:53 |
| Last Modified: | 13 Nov 2024 03:53 |
| URI: | https://repository.upnjatim.ac.id/id/eprint/32022 |
Actions (login required)
![]() |
View Item |
