PRA RANCANGAN PABRIK PABRIK FATTY ALCOHOL DARI METIL ESTER DENGAN PROSES HIDROGENASI KAPASITAS 45.000 TON/TAHUN

Fadhila, Dheytra Akhnaz Namira (2024) PRA RANCANGAN PABRIK PABRIK FATTY ALCOHOL DARI METIL ESTER DENGAN PROSES HIDROGENASI KAPASITAS 45.000 TON/TAHUN. Undergraduate thesis, UPN Veteran Jawa Timur.

[img]
Preview
Text (Cover)
Cover.pdf

Download (1MB) | Preview
[img]
Preview
Text (BAB 1)
BAB 1.pdf

Download (307kB) | Preview
[img]
Preview
Text (BAB 2)
BAB 2.pdf

Download (303kB) | Preview
[img] Text (BAB 3)
BAB 3.pdf
Restricted to Repository staff only until 12 November 2027.

Download (147kB)
[img] Text (BAB 4)
BAB 4.pdf
Restricted to Repository staff only until 12 November 2027.

Download (201kB)
[img] Text (BAB 5)
BAB 5.pdf
Restricted to Repository staff only until 12 November 2027.

Download (738kB)
[img] Text (BAB 6)
BAB 6.pdf
Restricted to Repository staff only until 12 November 2027.

Download (205kB)
[img] Text (BAB 7)
BAB 7.pdf
Restricted to Repository staff only until 12 November 2027.

Download (1MB)
[img] Text (BAB 8)
BAB 8.pdf
Restricted to Repository staff only until 12 November 2027.

Download (236kB)
[img] Text (BAB 9)
BAB 9.pdf
Restricted to Repository staff only until 12 November 2027.

Download (162kB)
[img] Text (BAB 10)
BAB 10.pdf
Restricted to Repository staff only until 12 November 2027.

Download (325kB)
[img] Text (BAB 11)
BAB 11.pdf
Restricted to Repository staff only until 12 November 2027.

Download (96kB)
[img]
Preview
Text (Daftar Pustaka)
Daftar Pustaka.pdf

Download (133kB) | Preview
[img] Text (Appendix A)
Appendix A.pdf
Restricted to Repository staff only until 12 November 2027.

Download (439kB)
[img] Text (Appendix B)
Appendix B.pdf
Restricted to Repository staff only until 12 November 2027.

Download (697kB)
[img] Text (Appendix C)
Appendix C.pdf
Restricted to Repository staff only until 12 November 2027.

Download (2MB)
[img] Text (Appendix D)
Appendix D.pdf
Restricted to Repository staff only until 12 November 2027.

Download (223kB)
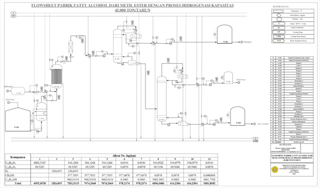
[img]
Preview
Text (Flowsheet)
Flowsheet.pdf

Download (155kB) | Preview

Abstract

Fatty alcohol or also commonly called fatty alcohol (FA) is an oleochemical product produced starting from fatty acids and methyl esters and is considered a basic oleochemical because it can be further used in the production of derivative products. World consumption of fatty alcohols reached approximately 3.5 million tons in 2020. This huge consumption comes from a huge range of applications including personal care, home care, pharmaceuticals, preservatives, paper, agriculture, animal feed, rubber, paint, coatings, plastics, polymers, textiles, industrial chemicals, biofuels, detergents, lubricants, etc. The opportunity to establish a fatty alcohol factory in Indonesia is quite large, so it is necessary to plan the design of a chemical factory with fatty alcohol products. This factory is planned to be established in 2027 with a capacity of 45,000 tons/year in Pelintung village, Medang Kampai District, Dumai. The factory operates 330 days a year with a workforce of 195 employees.

Item Type: Thesis (Undergraduate)
Contributors:
ContributionContributorsNIDN/NIDKEmail
Thesis advisorSuprihatin, SuprihatinNIDNUNSPECIFIED
Subjects: T Technology > TP Chemical technology > TP155 Chemical engineering
Divisions: Faculty of Engineering > Departement of Chemical Engineering
Depositing User: Dheytra Akhnaz Namira Fadhila
Date Deposited: 12 Nov 2024 03:36
Last Modified: 12 Nov 2024 03:36
URI: https://repository.upnjatim.ac.id/id/eprint/31986

Actions (login required)

View Item View Item